一、有機物概述
1、終產物優勢:
- 填寫輸出功率市場規模:3.5V-32V
- 輸進輸出功率規模化:2.0V-30V
- 錄入瓦數:45W
- 旋鈕頻率和次數:150KHz/300KHz
- 一體化為H橋 10mΩ FET、一體化快充全和談
- 撐持A+C用、一體化I2C通信設備
- Buck-boost充蓄電池充電轉移器、集電條件管理
- 電池組示例3V-4.5V可每10mV逐漸增加設置成
- 撐持1-6串蓄電池
- 支持器防拉死端電壓VINREG可每10mV遞加導出
- 手機鍵盤輸入手機鍵盤輸入電壓電流限制可每10mA逐漸增加文字編輯
- 輸入電阻值可每10mV依次增加小編
- 撐持欠壓、過壓、過流、燒壞、室溫等掩體
- 融合LDO
- 融合DC-DC轉型器的各樣保護藥用價值
- 封裝:QFN6x6-42
2、通過理論圖:
3、乙酰乙酸描寫出
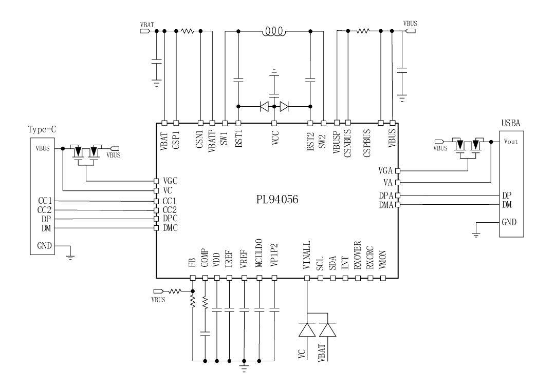
PL94056是集就成為了快充全和談的、高效益的、帶充點辦理手續的搜集雙邊落桿壓SOC。 它是一個個造成type-C PD快充巧用而總體目標的、功用豐厚的、巧用矯捷的落桿壓準換器服務平臺。 它才能被設施成降血壓充點、升壓充點和落桿壓充點多少種形態。PL94056 集就成為了I2C 界面,可社區便利店與里面的的保障采集體系通信網絡。所經過程中I2C可將蓄鋰電池的額定電壓降、BUS的額定電壓降、蓄鋰電池電壓電流量大小、BUS電壓電流量大小及各串口的的額定電壓降電壓電流量大小消息傳輸到里面的的保障采集體系。 同一時間,里面的的集就成為了耐高壓低壓的CC1/CC2、DP/DM USB通信網絡和談界面。組合通俗化的MCU 就能夠為各種類型快充巧用供應根本、做大做強、矯捷的落桿壓快充計劃書。 在續航樣式,可途經歷程升壓、穩壓及落桿壓使用的給微型蓄電池續航。 PL94056撐持涓流、恒流、恒壓的續航辦。續航電流量和的電壓都就可以途經歷程兩種12-bit 寄放器來控制。 PL94056 集成式I2C標準界面,沿途流程中 讀寫寄放器訪客可體驗的放肆網絡保障體系開始進行充電器或釋放類型,設為進行充電器直流電、長滿電流值、填寫電流值和填寫恒流點。沿途流程中 I2C標準界面夠監察視頻USB網口的的情況,并放肆網口NMOS的導通和封閉式管理。還訪客也夠沿途流程中 讀的情況寄放器來監察視頻DC-DC的的情況,和監察視頻全部的網絡保障體系的任務卡學習環境。 PL94056供應VMON引腳。MCU要能經途方式該引腳間接的立即讀VBUS、IBUS、VBAT、IBAT和各服務器端口的相電壓、功率信心。以還簡化保障制度思路和回落BOM掙到。 為抓好保障制度在一點任何首先下的安靜,PL94056 集就成為了欠壓保護、過壓保護、過流保護、出現短路保護、和水溫保護等功較。
4、更優巧用處景
- 專研寶
- 挪動儲能電池
- 干電池包
- 挪動技能(如電開食物、筋膜層槍、挪動大家電等)
- 急救啟用電壓
5、二極管封裝資料
6、管腳界說和保健作用描敘
管腳藥理作用形容
序號 | 稱號 | 描寫 |
---|---|---|
1 | VC | C口端電壓檢測 |
2 | VGA | A口輸入途徑NMOS節制引腳 |
3 | VA | A口端電壓檢測 |
0,4 | GND | 小旌旗燈號地,需單點接到體系地 |
5 | VMON | 為內部MCU供給電壓、電流信息,經由過程RC濾波毗連至MCU ADC引腳。可讀到 VBUS/VBAT,IBUS/IBAT,溫度和各端口的電壓、電流信息。 |
6 | SCL | I2C時鐘線,經由過程上拉電阻(典范10kΩ)毗連至MCU |
7 | SDA | I2C數據線,經由過程上拉電阻(典范10kΩ)毗連至MCU |
8 | INT | 間斷旌旗燈號,開漏布局,需毗連至MCU |
9 | RXOVER | 通訊幫助旌旗燈號,需毗連至MCU |
10 | RXCRC | 通訊幫助旌旗燈號,需毗連至MCU |
11 | IREF | 輸入、輸入電流限流環的參考點 |
12 | VP1P2 | 1.2V內部體系電壓源 |
13 | MCULDO | 3.3V給內部MCU供電 |
14 | VDD | 5V內部體系電壓源,接1uF陶瓷電容到GND,盡能夠接近引腳 |
15 | VINALL | IC供電引腳,內部供電經由過程肖特基二極管毗連至引腳,接1uF陶瓷電容到GND,盡能夠接近引腳 |
16 | VREF | 電壓環的參考點 |
17 | FB | VBUS電壓反應引腳 |
18 | COMP | 偏差縮小器輸入節點,毗連頻次彌補器件到GND |
19 | DPA | A口和談辨認旌旗燈號D+ |
20 | DMA | A口和談辨認旌旗燈號D- |
21 | CSN1 | 電流檢測縮小器輸入負端,檢測VBAT端電流 |
22 | CSP1 | 電流檢測縮小器輸入正端,檢測VBAT端電流 |
23 | VBAT | 電池接入點或輸入電壓點,接1uF陶瓷電容到PGND,盡能夠接近引腳 |
24 | BST1 | 毗連100nF陶瓷電容至SW1 |
25 | VCC | 驅動電壓源,接1uF陶瓷電容到PGND,盡能夠接近引腳 |
26 | VBATP | H橋輸入節點,接VBAT端檢流電阻 |
27 | SW1 | 開關節點1,接功率電感 |
28 | SW2 | 開關節點2,接功率電感 |
29 | VBUSP | H橋輸入節點,接VBUS端檢流電阻 |
30 | PGND | 功率地 |
34 | BST2 | 毗連100nF陶瓷電容至SW2 |
35 | VBUS | 輸入電壓或輸入電壓點,接1uF陶瓷電容到PGND,盡能夠接近引腳 |
36 | CSPBUS | 電流檢測縮小器輸入正端,檢測VBUS端電流 |
37 | CSNBUS | 電流檢測縮小器輸入負端,檢測VBUS端電流 |
38 | CC1 | C口檢測和快充通訊引腳 |
39 | CC2 | C口檢測和快充通訊引腳 |
40 | DPC | C口和談辨認旌旗燈號D+ |
41 | DMC | C口和談辨認旌旗燈號D- |
42 | VGC | C口輸入、輸入途徑NMOS節制引腳 |
二、傳統手工藝文本
范例 | 標題 | 上傳時候 | 文檔下載 |
產物規格書(中文) | PL94056_Datasheet_CN_R1.0 | 2025/04/09 | PDF下載 |
有機物規格書(英文版) | PL94056_Datasheet_en_R1.0 | 2025/04/09 | PDF下載 |
三、應用項目
序號 | 標題 |
1 |
18-65W電開東西及電池包充電計劃
|
2 |
CA/2-4串/30-45W充電寶計劃
|